Backward Curved Impeller
Technical Specification
| TYPE | I/P SUPPLY | AMPS (A) |
WATTS (W) |
RPM | OUTPUT | Static-Pr (mm-wc) |
dBA | Cap. µf |
Admissible Ambient Temp : |
Weight Kg |
|
| (CMH) | (CFM) | ||||||||||
| 8EC 1BTP | 230 | 0.6 | 110 | 2700 | 880 | 518 | 42 | 65 | 3.15 | 65 | 2.5 |
| 8EC 3BTP | 415 | 0.2 | 100 | 2700 | 880 | 518 | 42 | 65 | - | 65 | 2.5 |
| 1C-8 EC 1BTP | 230 | 0.6 | 110 | 2700 | 880 | 518 | 42 | 66 | 3.15 | 65 | 6 |
| 1C-8 EC 3BTP | 415 | 0.2 | 120 | 2700 | 880 | 518 | 42 | 66 | - | 65 | 6 |
| 2C-8 EC 1BTP | 230 | 1.2 | 240 | 2700 | 1760 | 1035 | 42 | 80 | 3.15 | 65 | 9.1 |
| 2C-8 EC 3BTP | 415 | 0.4 | 180 | 2700 | 1760 | 1035 | 42 | 80 | - | 65 | 9.1 |
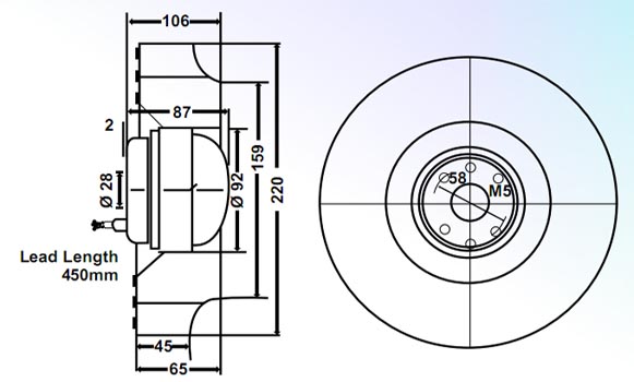
Product Drawing

Performance Chart





